24小时客服电话:

0755-23358695

打造研发和制造优质品牌

首页 >> 新闻动态 >>公司新闻 >> 全隔离高压伺服电机开源板(基于103C8):双ICS霍尔隔离采样+PWM隔离FOC电机控制板调试文档说明
详细内容

全隔离高压伺服电机开源板(基于103C8):双ICS霍尔隔离采样+PWM隔离FOC电机控制板调试文档说明

技术交流QQ群:171897584

公众号:游名科技

工作电压范围:140V到310VDC或AC110V到AC220V;

电流:最大2A;

不支持自动电机参数测试;

双ICS FOC无感/有感霍尔/有感编码器等驱动;

PWM隔离、电流采样隔离、DCDC电源隔离可直接接AC220V调试;

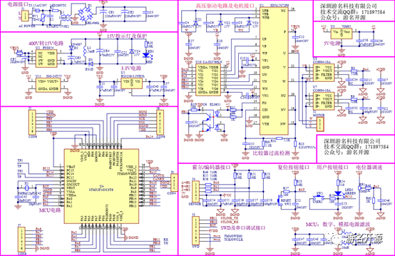
一、硬件说明

1.1图纸说明

IPM模块:选的是国产600V/15A IPM模块,国产IPM模块最好留至少5倍余量,也就是尽量不要超过3A,如果是进口IPM模块至少3倍余量;

电源隔离:采用自制的DCDC隔离模块U11,给MCU,电流传感器,霍尔或编码器等供电;

PWM隔离:采用川土微的6通道数字隔离器U10,默认低电平L输出(高电平输出则IPM模块输出全导通、造成负载短路烧坏器件);

电流采样:采用霍尔电流传感器U7U8实现电流采样全隔离,选的+-10A量产,单位电流对应关系为:0.132V/A

1.2硬件布线

电流采样由于采用霍尔电流传感器,电压输出RC滤波接到MCU即可;

   PWM输出线和电流采样线尽量不要交叉;

       电源功率地,最好是单点接地。

1.3安全说明

   仿真器或调试器:可以用我们的隔离仿真器或加USB隔离器,当然用非隔离仿真器也可以(MCU部分和强电部分都是隔离的);

   板子及带电端口:不要用手触摸,以免被电到。

1.4接线说明

板子:

电源输入:

ACL:接交流电AC火线或高压开关电源正+

ACN:接交流电AC零线或高压开关电源负-

 

电机线:

U:接电机UA

V:接电机VB

W:接电机WC

 

霍尔或编码器接线

HA:接电机霍尔传感器U或编码器A(对应550W伺服电机编码器:4脚)

HB:接电机霍尔传感器V或编码器B(对应550W伺服电机编码器:3脚)

HC:接电机霍尔传感器W(对应550W伺服电机编码器:2脚)

GND0V:接电机传感器接口GND(对应550W伺服电机编码器:5脚)

+5:接电机传感器接口5V(对应550W伺服电机编码器:14脚)

仿真调试接口及串口接线说明:

CLK:接隔离DAP仿真器CLKST LINK仿真器CLKSWD信号时钟脚)

DIO:接隔离DAP仿真器DIOST LINK仿真器DIOSWD信号数据脚)

GND:接隔离DAP仿真器GNDST LINK仿真器GND

VDD:接隔离DAP仿真器VDDST LINK仿真器VDDST LINK仿真器可不接VDD

RST:可不接,接ST LINK仿真器RST

TXTXRX需交叉):接隔离DAP仿真器RXST LINK仿真器RX

RXRXTX需交叉):接隔离DAP仿真器TXST LINK仿真器TX

 

提供资料清单:

1、550W伺服电机:无感/有感编码器参考程序;

2、180W直流无刷电机:无感/有感霍尔参考程序;

3、参考板子教程及PDF原理图;

4、游名科技ST FOC参考培训资料;

 

补充说明:

1、AD格式原理图/PCB图不提供,如有需要需付一定的费用,希望理解谢谢;

2、此板子采用隔离霍尔电流传感器采样电流,PWM隔离采用数字隔离器隔离;

技术交流QQ群:171897584

淘宝店铺:游名科技

公众号:游名科技


标题
更多
技术支持: 诚信共赢科技 | 管理登录
seo seo